科泰磁翻板液位计
| 公司名称: | 沈阳静竹工控设备有限公司 |
|---|---|
| 联系人: | 范经理 |
| 联系电话: | 13940416132 |
| 微信: | 13940416132 |
| QQ: | 1069720340 |
| 邮箱: | 1069720340@qq.com |
| 地址: | 沈阳市铁西区沈辽西路168号21-11、12门(沈辽路嘉泰五金城) |
| 留言咨询 更多信息 | |
| 分享: |
|
产品介绍
一、概述
感谢您使用本公司生产的磁翻板液位计!
磁翻板液位计是以浮子为测量元件,磁钢驱动磁片显示,无需能源。适用于低温到高温、真空到高压等各种环境,是石油化工等工业部门理想的液位测量产品。为保证正确和安全使用本仪表,请首先仔细阅读使用说明书,说明书中讲述了仪表的安装、维护保养及使用上的注意事项。如果液位计在保质期内出现故障,请及时的联系我们,并说明故障现象、产生原因、工作环境及规格型号等,我们会安排专业的售后人员及进给予答复。对于用户擅自拆卸液位计或者在使用中超出液位计的使用温度和压力而造成的质量问题,本公司不做担保。
二、使用注意事项
1、搬运
液位计是经过打压、调试、检测合格后才出厂的,到货后,请检查包装有无损坏。为了防止搬运途中受损,请保持本产品出厂时包装状态,一直到工作现场。
2、保管
预计保管时间较长时,应注意以下几点:
1)、保管时尽量保持本产品出厂时的原包装;
2)、储存地点应尽量避免雨淋,保持常温,通风良好,没有冲击和振动的场所;
3)、型号型格确认
型号规格刻印在主体的铭牌上,在使用安装时,首先要确认是否符合订货要求及现场要求。
4、安装场所及注意事项
液位计即使在恶劣的环境下也能正常工作,为了长期正确稳定的使用,请注意以下几点:
1)、空气条件
液位计尽量安装在空气流通好的地方,注意避免雨淋,防腐的液位计可以安装在有腐蚀的环境中。
2)环境温度
液位计安装在温度过高或者过低的环境时,需要做好防范措施,否则会影响其测量精度或者容易损坏内部结构。
3)易燃易爆场所
液位计根据介质的类别及特性,可以使用在危险场所。
三、工作原理及结构特点
1、工作原理
磁翻板液位计根据浮力原理,浮子在测量筒内随液位的升降而上下移动,浮子内的永久磁钢通过磁耦合作用,驱动红白翻柱翻转180℃,液位上升时,翻柱由白色转为红色,下降时由红色转为白色,从而实现液位的指示。在液位计的主体上安装变送器,可以实现远传显示,变送器由传感器和转换器两部分组成,传感器通过磁浮子上下移动,经磁耦合作用使导管内干簧管依次动作,获得电阻信号变化,转换成4-20mA的标准电流信号输出。在液位计主体上安装报警开关,可实现报警或联锁控制。
2、结构特点及用途
1)液位计主要由主体、法兰、浮子、显示面板以及远传变送器等部件组成。
2)液位计结构简单,观察直观,清晰,易操作,维护量少;
3)测量范围大,口径范围宽,适用于石油、化工、电力、食品、制药、纺织等工业领域的液位指示;
四、仪表的安装及接线
1、液位计应按要求垂直安装在现场操作员便于观察与操作的地方,法兰的结合面应加密封垫,各部位螺丝应紧固牢靠;
2、当筒体过长而存在一定挠度时,应设法对筒体加以支持,安装过程中,不能松动面板的安装卡子;
3、液位计安装在压力容器上,应和容器一起按有关规定进行压力试验,或者经受1.25倍的水压试验,以及1.05倍的工作压力的气密性试验,但决不能超过液位计的最大工作压力,确认无渗漏后方可以投入使用;
4、液位计是根据用户订货要求生产的,出厂时已经调试检测合格,使用时一般无需调试。
5、接线
1)电远传接线
由测量单元和变送单元两部分组成,接线方式如下图所示:
接线说明:
1号端子:DC24V+
2号端子:DC24V-
液位传感器接线:
3号端子:传感器供电正
4号端子:传感器信号正
5号端子:传感器供电地

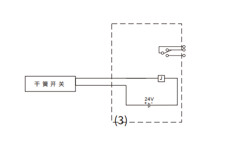
2)、上下开关报警输出接线
由具体保持作用的干簧管和转换器组成,接线方式如下图所示:

3)、本安防爆型
(1)、带本安防爆远传型:防爆标志为iallCT6,适用于II类电气设备;
(2)、带本安防爆上下开关输出型:防爆开关由干簧开关和带继电器触点的保护栅组成;
(3)、C级气体,最高表面温度组别T6。
接线方式如下图所示:

4)、注意事项
(1)、保护栅必须置于保护场所,其安全使用必须遵守该保护栅的使用说明书;
(2)、在拆卸防爆型变送器或报警开关时,应先切断电源;
(3)、变送器与保护栅本安端的连接电缆为二芯屏蔽电缆,芯线载面积>0.5mm²,电缆允许分布电容为0.08uf,允许分布电感为2mH,电缆屏蔽线一端与保护栅汇流条相连;
(4)、仪表安装布线和使用维护应严格遵守爆炸危险场所电气保护规程及标准。
五、主要技术参数
测量范围:200-8000mm
测量精度:±10mm
主体材质:ss304、ss316、ss316L等
浮子材质:ss304、ss316L、Ti
工作压力:1.0、1.6、2.5、4.0Mpa
温度范围:-160℃—500℃
介质比重:≥0.45g/cm³
介质密度差:≥0.15g/cm³(测量界位)
介质粘度:≤0.02pa.S
连接法兰尺寸:DN20、DN25、DN50采用其他法兰和标准请在订货时注明
变送器电源:DC24V
输出信号:二线制4——20mADC 250Ω负载
防爆等级:Exia ll CT4-T6、Exd IICT4-T6
防护等级:IP65
六、磁翻板液位计的常见故障和原因分析

七、液位计维护与保养
1)通常情况下,仪表不需要维修;
2)对于被测介质中含有杂质或粘滞物的要经常对浮子进行清洁处理,防止浮子卡死,拆装浮子时特别注意浮子的方向,如果装反则仪表不能正常工作;
3)为了避免影响磁翻柱转动和观察,液位计的表面应定期进行清洁处理,以防其表面积有过量的污物和粉尘。
八、订货须知
1、订货时请注明型号规格、测量范围、安装高度、介质密度及温度和工作压力等;
2、用户订购防爆产品时,若需附带保护栅应予特别注明;
3、发货时收到后请及时开箱验收,清点附件及资料,对遇到的问题请及时与销售部联系,以得到尽快解决。
型号编制说明

