带开关电接点的波登管压力表 ,型号 PGS21.100 和 PGS21.160
| 公司名称: | 沈阳静竹工控设备有限公司 |
|---|---|
| 联系人: | 范经理 |
| 联系电话: | 13940416132 |
| 微信: | 13940416132 |
| QQ: | 1069720340 |
| 邮箱: | 1069720340@qq.com |
| 地址: | 沈阳市铁西区沈辽西路168号21-11、12门(沈辽路嘉泰五金城) |
| 留言咨询 更多信息 | |
| 分享: |
|
摘要
当过程压力必须在本地显示,同时需对电路进行通断操作时,switchGAUGE系列的PGS21.1×0型压力表将是理想选择。 开关电接点(报警用电子式电接点)可根据仪表的指针位置接通和关断电气控制电路。开关电接点在全量程范围内可调(参见DIN 16085),电接点大多都安装在表盘下方,但也有少数安装在表盘上方。仪表指针(实际值指针)可在整个量程范围内自由旋转,与设定无关。 设定指针可以通过窗口内的可转动调整键进行调整。 由多个接点组成的开关接点也可以设置为单个设置点。当实际值指针超过或低于所需的设定值时,就会发生接触动作。 该压力表按照DIN 16085标准制造,满足相关标准(EN 837-1)和压力容器工作压力现场显示的所有要求。 开关电接点包括磁助式电接点、干簧式电接点和电子式电接点。至于连接PLC,可使用电子式电接点和干簧式电接点
产品介绍
应用
■控制和调节工业生产过程
■监控设备并控制电路通断
■适用于非高粘度不易结晶的,不会侵蚀铜合金部件的
气体和液体介质
功能特性
■可靠性高,使用寿命长
■每个仪表的开关电接点多达4个
■提供带电子式电接点的仪表,适合PLC应用
■电接点压力表符合DIN 16085标准
规格
标准型标称尺寸mm
■100
■ 160
准确度等级:1.0
刻度范围:0…0.06MPa[0...8.7psi]至0...60MPa[0..8,702.26psi]
其它单位(如psi,kPa)可选
或所有其它负压和正负压范围
刻度
■单刻度
■双刻度
压力限值
静压:满量程
动压:0.9x满量程
瞬时过压1.3x满量程
连接位置
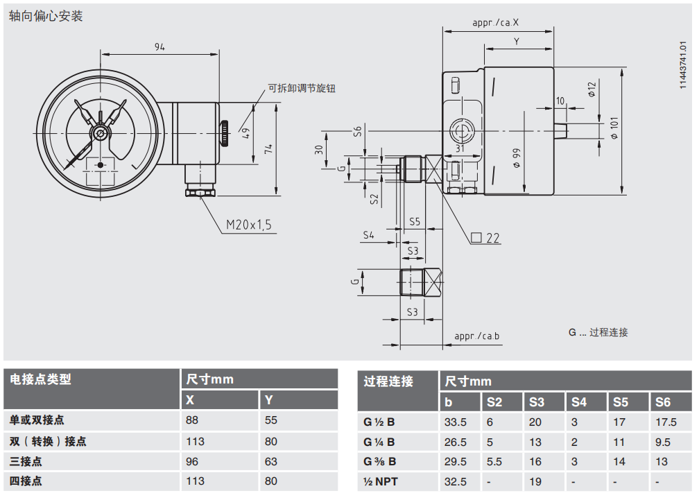
■径向安装
■ 轴向偏心安装
允许温度
介质:+80℃[+176F
可按要求提供更高的介质温度
环境:-20..+60℃[-4…+140°F]
温度效应:当测量系统的温度偏离参考温度(+20℃)时:极大为±0.4%/10 K满量程
表壳:不锈钢表壳
充液:无
接液材料:
过程连接,压力元件:<10 MPa:铜合金,C形
≥10 MPa:不锈钢316L,螺旋型
非接液材料:
表壳卡扣锁环:不锈钢
机芯铜合金,磨损部件锌白铜
表盘铝,白色,黑色印字
仪表指针铝,黑色
设置指针铝,红色
表窗
■聚碳酸酯
■夹层优质玻璃
防护等级,符合IEC/EN 60529标准:IP54
电气:连接电缆套管PA6,黑色
符合VDE0110标准,绝缘组C/250V
M20×1.5格兰头
压紧装置
6个螺钉端子+PE(2.5 mm²截面积导线)
开关电接点
821型磁助式电接点
■无需控制单元和额外的电源
■可直接开关250V,1 A的负载
■每台测量仪表可配备多达4个开关电接点
830E型电子式电接点
■用于直接触发可编程逻辑控制器(PLC)
■ 2线制系统(可选:3线制系统)
■非接触式传感器,长使用寿命
■对指示准确度影响较小
■在高开关频率下可确保故障保护的开关
■不易受腐蚀
■每台测量仪表可配备多达3个开关电接点
851型磁簧式电接点
■无需控制单元和额外的电源
■可直接开关250V,1 A的负载
■用于直接触发可编程逻辑控制器(PLC)
■无接触,无磨损
■ NS 100:每台测量仪表可配备多达2个转换接点
NS 160:每台测量仪表可配备多达1个转换接点
(开关电压AC<50V且DC<75V,开关电接点不可从外部调节)
开关功能
开关的开关功能由功能标号1、2或3表示
8xx.1型:常开,接触时闭合(指针顺时针运动)
8xx.2型:常闭,接触时断开(指针顺时针运动)
821.3和转换接点,当指针到达设定点时,
851.3型:一个接点断开,另一个接点同时闭合

电接点的调节范围建议为量程的25 ...75%(可按要求提供0...100%)。
电接点材料(标配):银镍合金,镀金
电接点设置
2个电接点之间的最小缝隙建议为量程的20 %。开关滞后为2...5%(典型值)。


电接点的调节范围建议为量程的10...90%(可按要求提供0...100%)。
将电接点设置为相同的设定点
最多可将2个电接点设置为相同的设定点。这不适用于具有3个电接点的版本。左侧(第1个)或右侧(第3个)电接点不能设置为与其他2个电接点相同的设定点。当2个电接点已设置为相同的设定点时,需将另一个电接点向左或向右位移约为30°。




■请勿超出此处规定的极限值。
■使用两个电接点时,请勿将其设置为相同的设定点。根据开关功能的不同,需要确保最小间隙为15...30°。
■电接点的调节范围为刻度的10...90 %。
■在制造时以对开关功能进行设置,以确保簧片接点精确地在目标开关点动作。为此,我们需要您在订购时指定开关方向。









