型号 F6116 液压圆环式力传感器
| 公司名称: | 沈阳静竹工控设备有限公司 |
|---|---|
| 联系人: | 范经理 |
| 联系电话: | 13940416132 |
| 微信: | 13940416132 |
| QQ: | 1069720340 |
| 邮箱: | 1069720340@qq.com |
| 地址: | 沈阳市铁西区沈辽西路168号21-11、12门(沈辽路嘉泰五金城) |
| 留言咨询 更多信息 | |
| 分享: |
|
产品介绍
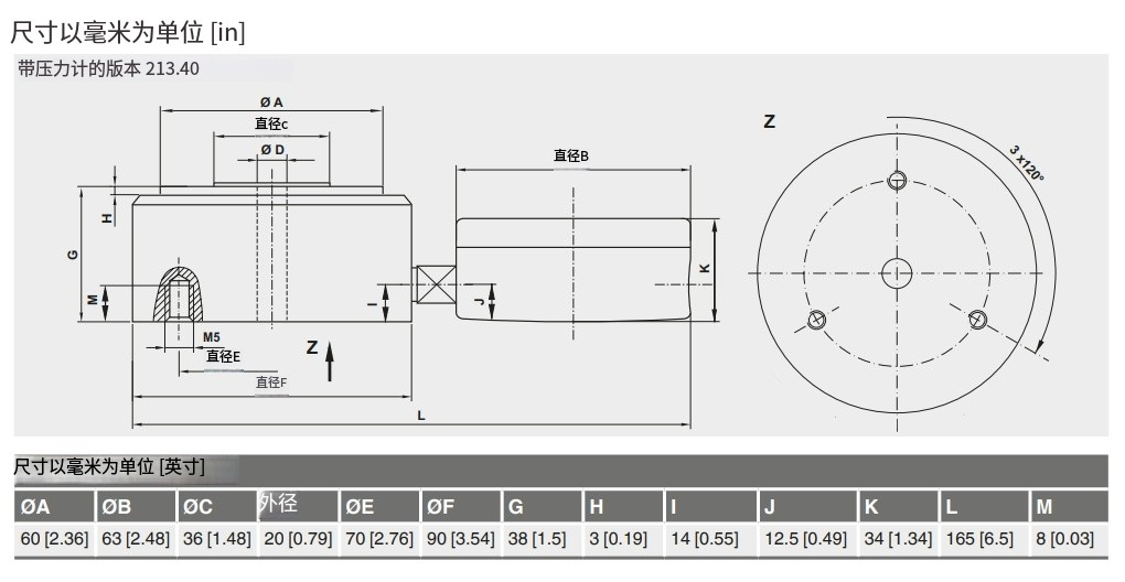
F6116紧凑型液压圆环式力传感器可简单、经济地测量作用力,并显示测量值。测量范围为320 N至120 kN [0 ... 72 lbf到0 ... 26.977 lbf]。由于此类传感器不需要使用任何电源,因此这种类型的测量系统可为不同领域的应用提供理想的工作条件。
此类液压力测量利用不同密封件的活塞外壳组合作为传感器单元。所产生的作用力是面积和压力共同作用的结果。如要显示压力,可使用压力表、压力变送器或带电接点的压力测量仪表。显示仪表的刻度可以用各种单位来定义,例如N、kN、kg和t。
防漏质保
液压测量装置的防漏质保时长可达5年。当然前提是按设计用途使用测量装置。在此期间将免费维修出现泄漏的测力变送器。我们通过这种方式保障我们的液压力变送器的质量和我们自研技术的可靠性。应用
设备制造
工装夹具制作
特殊机械制造
测量和控制系统
功能特性
测量范围:0 ... 320 N至0 ... 120 kN [0 ... 72 lbf bis 0 ... 26,977 lbf]
相对线性误差:
活塞冲程 ≤ 0.5 mm [≤ 0.02 in]
无需供电
5年密封性保修



