机械式玻璃管温度计 型号32, V-形
| 公司名称: | 沈阳静竹工控设备有限公司 |
|---|---|
| 联系人: | 范经理 |
| 联系电话: | 13940416132 |
| 微信: | 13940416132 |
| QQ: | 1069720340 |
| 邮箱: | 1069720340@qq.com |
| 地址: | 沈阳市铁西区沈辽西路168号21-11、12门(沈辽路嘉泰五金城) |
| 留言咨询 更多信息 | |
| 分享: |
|
摘要
32型机械式玻璃管温度计主要用于机械制造、采暖、空调和制冷技术等工业应用。 该型号温度计具有高精确度和长使用寿命(无机械磨损)两项突出特性。
产品介绍
应用
■通用型
■机械工程
■罐结构
■集中暖气系统
■设备制造
功能特性
■防震
■低毒环保充液温度计
■量程从-30..200℃
标准参数
表圆直径:110,150和200mm
测量原理:液体膨胀
容许误差:按DIN 16195标准
防护等级标准:最大0.6MPa
探杆
Ø 10 mm
Ø6.5 mm,尺寸200x36,
联管螺母M24x1.5
表壳:铝,镀黄铜色
刻度字:特殊墨水打印,用阳极化抛光保护
温度计玻璃插管:杆形,棱柱型毛细管
传热液体:蓝色接液
表圆尺寸:150×36 mm
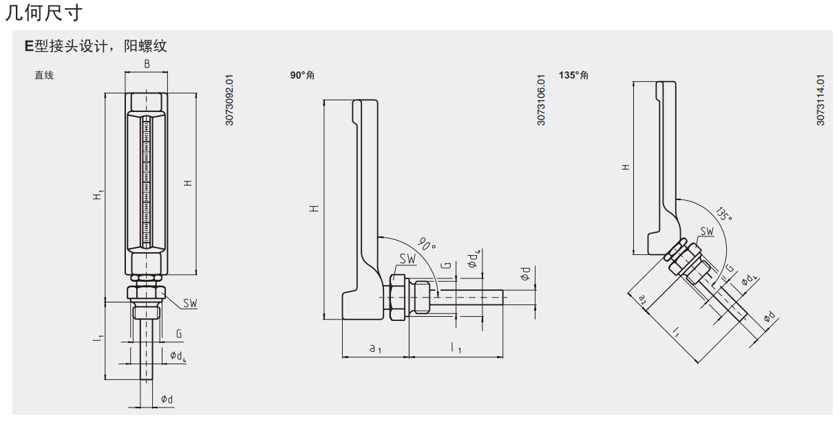
接头设计:E型接头,阳螺纹
直线设计(DIN 16185)
阳螺纹
-GV/₂B,M 20×1.5(DIN标准B型)
-G³4B,M 27×2
阳螺纹旋入表壳
探杆长度l₁=63,100,160,250 mm
铜合金
90°角设计(DIN 16186)
阳螺纹
-GV₂B,M 20×1.5(DIN标准S型)
-G³4B,M 27×2
阳螺纹旋入表壳,
可移动探杆长度l₁=63,100,160,250 mm
铜合金
135°角设计
阳螺纹
-GV₂B,M 20×1.5
-G³/B,M 27×2
阳螺纹旋入表壳
探杆长度l=63,100,160,250 mm
铜合金
表圆尺寸110×30 mm
接头设计
E型接头,阳螺纹
■直线设计(DIN 16181)
阳螺纹
-GV₂B,M 20×1.5(DIN标准B型)
-G³₈B,M 16×1.5(DIN标准B1型)
阳螺纹,旋入表壳
探杆长度l₁=30,40,63,100,160,250 mm
铜合金
■90°角设计(DIN 16182)
阳螺纹
-GV₂B,M 20×1.5(DIN标准S型)
-G³%B,M 16×1.5(DIN标准S1型)
阳螺纹旋入表壳,可移动
探杆长度l₁=30,40,63,100,160,250 mm铜合金
■ 135°角设计
阳螺纹
-GV₂B,M 20×1.5
-G³/%B,M16×1.5
阳螺纹旋入表壳
探杆长度I₁=30,40,63,100,160,250 mm
铜合金
表圆尺寸200×36 mm
接头设计:E型接头,阳螺纹
■直线设计(DIN 16189)
阳螺纹
-GV₂B,M 20×1.5(DIN标准B1型)
-G³4B,M 27×2(DIN标准B型)
阳螺纹旋入表壳
探杆长度li=63,100,160,250 mm
铜合金
■ 90°角设计(DIN 16190)
阳螺纹
-G/₂B,M 20×1.5(DIN标准S1型)
-G³4B,M 27×2(DIN标准S型)
阳螺纹旋入表壳,可移动
探杆长度l₁=63,100,160,250 mm铜合金
■ 135°角设计
阳螺纹
-GV₂B,M 20×1.5(DIN标准B1型)
-G³4B,M 27×2(DIN标准B型)
阳螺纹旋入表壳
探杆长度l₁=63,100,160,250 mm
铜合金


优化特殊选型(适合所有尺寸)
■双刻度F/℃
■其它量程范围
■其它材料制造的阳螺纹
■依照DIN标准由铜合金、钢、
不锈钢或其它材料制成的温度计套管
■其他型号
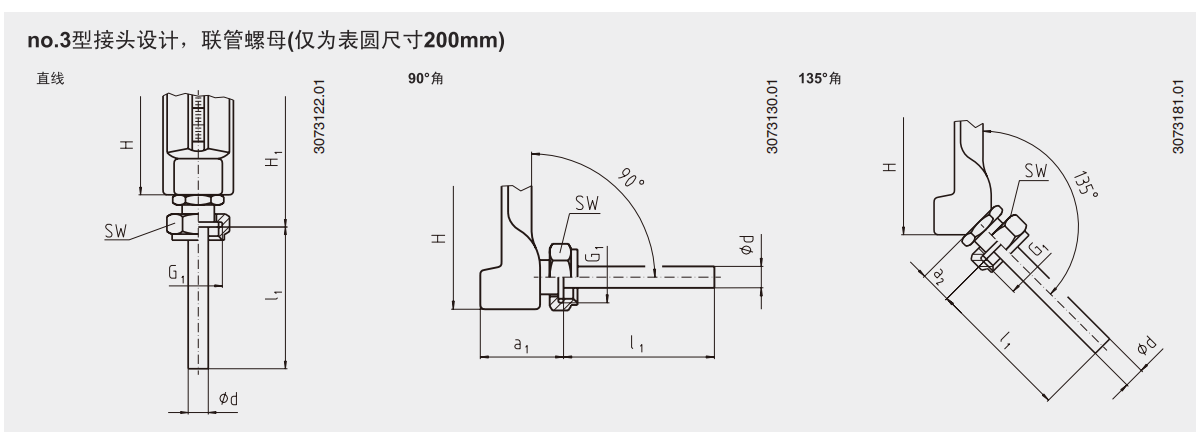
接头设计(可选):第3号连接,螺纹连接
一直线设计(DIN 16189)
螺纹连接
-GV2,M 20×1.5(DIN标准C1型)
-G³4,M 27×2(DIN标准C型)
-M 24×1.5(DIN标准F型)连接片旋入表壳,可移动
探杆长度|₁
-C1型:I=89,126,186,276,426 mm
-C型:|1=93,130,190,280,430 mm
-F型:I₁=155,215,275,295,355,415 mm
铜合金连接螺纹和连接片,St.35号管
-90°角设计(DIN 16190)
组合螺母
-GV2,M 20×1.5(DIN标准C1型)
-G³4,M 27×2(DIN标准C型)
-M 24×1.5(DIN标准F型)
连接片旋入表壳,可移动
探杆长度|₁
-C1型:I1=89,126,186,276,426 mm
-C型:I₁=93,130,190,280,430 mm
-F型:I₁=155,215,275,295,355,415 mm
铜合金连接螺纹和连接片,St.35号管
-135°角设计(DIN 16191)
组合螺母
-GV2,M 20×1.5(DIN标准C1型)
-G³4,M 27×2(DIN标准C型)
-M 24×1.5(DIN标准F型)连接片旋入表壳,可移动
探杆长度I₁
-C1型:I₁=89,126,186,276,426 mm
-C型:I=93,130,190,280,430 mm
-F型:I₁=155,215,275,295,355,415 mm
铜合金连接螺纹和连接片,St.35号管



