磁翻柱式液位计
| 公司名称: | 沈阳静竹工控设备有限公司 |
|---|---|
| 联系人: | 范经理 |
| 联系电话: | 13940416132 |
| 微信: | 13940416132 |
| QQ: | 1069720340 |
| 邮箱: | 1069720340@qq.com |
| 地址: | 沈阳市铁西区沈辽西路168号21-11、12门(沈辽路嘉泰五金城) |
| 留言咨询 更多信息 | |
| 分享: |
|
摘要
WIKA的BNA系列磁翻柱式液位计由旁路腔体、浮子和磁性显示体组成。旁路腔体通过至少两个过程接口(法兰、螺纹或者焊接端)连接在罐体上,等高引入罐体内的液位。浮子位于腔体内部,漂浮在液面上,浮子内置永磁体,磁场可以穿过旁路腔体管壁触发安装在旁路腔体外侧的磁性显示体翻转,实现非接触的液位高度指示。磁性显示体是由双色的塑料翻柱或者陶瓷翻柱或者不锈钢翻旗组成,10mm一颗紧密排列,其内置小磁柱被浮子内的磁钢触发后,依次翻转180°,液位上升时由白转红(蓝),液位下降时由红(蓝)转白。从而使得磁翻柱式液位计实现在无需供源的情况下清晰指示罐体内液位。
产品介绍
应用
翻柱显示,无需外加电源
同比显示液位
定制化设计及耐腐性材质可选,可应用于广泛的工业领域化学、石油化工、油气钻探(海上平台)、造船机械制造电力设备、电厂等
流程工业及饮用水行业的水处理、食品工业、制药等
特性
1.可针对过程和系统需求提供定制设计
2.工况条件:
-操作温度:T=-200 .+538℃
-操作压力:P=真空至42.0 MPa
-介质密度:p > 200 kg/m?-界面测量(比重差> 48 kg/m3)
3.不同的过程连接和材质可选
5.防爆设计
6.精度等级:士5mm或士10mm可选
7.设计简单、坚固、紧凑、耐用
8.旁路腔体和浮球材质多样化,包括304、316L、316、316Ti321、347、双标316/316L等不锈钢和HC276、Alloy20、钛TA2、钛3.7035、Monel400、PP、PVC、PVDF等特殊材料
9.旁路腔体和磁性显示体在耐压耐气上隔离
10磁性显示体指示液位,无需外加电源
11.由于采用耐腐蚀性材质,可应用于众多工业领域
12可测量和指示具有腐蚀性、易燃性、有毒、高温、搅动的及污染的液体的液位
13.连续液位测控,不受介质物理和化学性能变化的影响,比如:电阻率、电导率、压力、真空、温度、蒸汽、冷凝、泡沫、气泡、沸腾等工况
14特殊设计:食品工业、包覆、液化气工况、伴热夹套
示意图

设计及工作原理
旁路腔体安装在罐体侧面,连通后等高引入罐体内液位浮子漂浮在液面上
磁性显示体安装于旁路腔体表面,随浮球内置磁钢位置翻转;开关和传感器也靠浮球内置磁钢触发而动作
磁钢系统
磁钢系统由集磁环和不同的磁钢组成,这种设计可以很好的适应不同的工况条件。

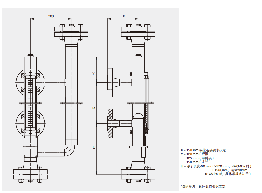
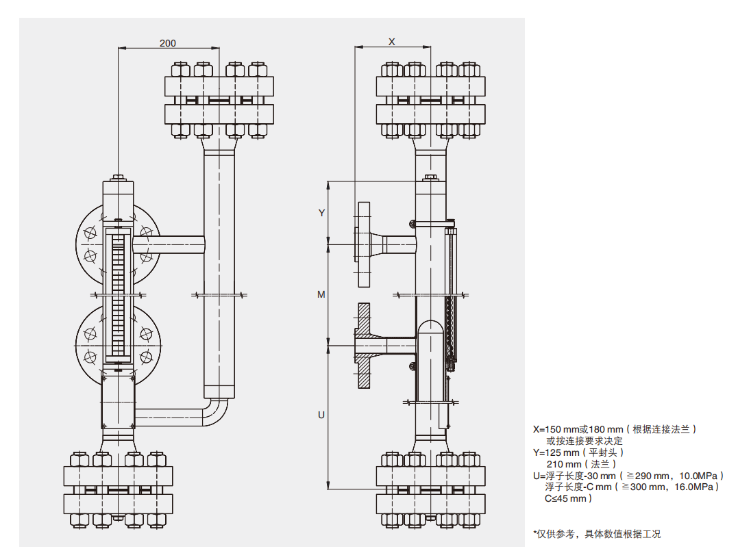
磁翻柱式液位计 微型 BNA-C


磁翻柱式液位计 基本型 BNA-S


磁翻柱式液位计 高压型 BNA-H
磁翻柱式液位计 塑料型 BNA-P
磁翻柱式液位计 双腔体型 BNA-SD
磁翻柱式液位计 高压双腔体型 BNA-HD
磁翻柱式液位计 汽化型 BNA-L
磁翻柱式液位计 保温套型 BNA-J
磁翻柱式液位计 特殊材质型 BNA-X
磁翻柱式液位计 耐腐型 BNA-X
磁翻柱式液位计 电加热型 BNA-X
磁翻柱式液位计 低密度型 BNA-X
磁翻柱式液位计 卫生型 BNA-X

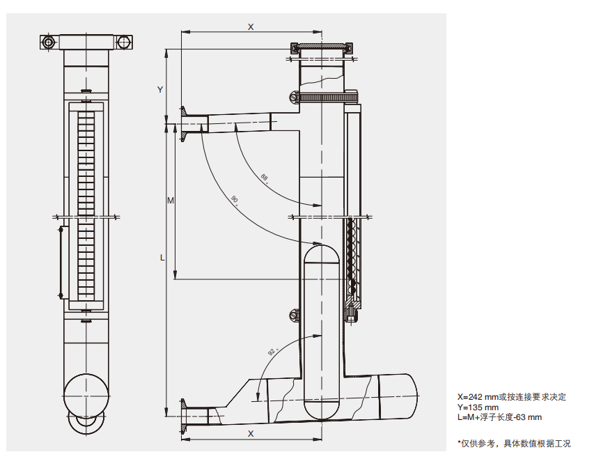
磁翻柱式液位计 顶置钢索型 BNA-BTN-X
磁翻柱式液位计 顶置微型 BNA-UTN-C
磁翻柱式液位计 顶置基本型 BNA-UTN-S
磁翻柱式液位计 顶置塑料型 BNA-UTN-P
磁翻柱式液位计 顶置内衬型 BNA-UTN-X
磁翻柱式液位计 顶置低密度型 BNA-UTN-X
